
AVEVA Historian Client - Cung cấp khả năng báo cáo và xu hướng dữ liệu
AVEVA Historian Client trao quyền cho người lao động với dữ liệu hoạt động theo thời gian thực, cho phép người vận hành, kỹ sư và người quản lý hoạt động nhanh chóng khắc phục sự cố, nhận ra cơ hội tiết kiệm chi phí và nâng cao hiệu quả sản xuất. Là sự bổ sung hoàn hảo cho AVEVA ™ Historian, AVEVA Historian Client cung cấp khả năng báo cáo và xu hướng dữ liệu, được tích hợp với Microsoft Office, cho phép dễ dàng chia sẻ các báo cáo trên trang mạng nội bộ của công ty.
Tổng quan về Aveva Historian Client
AVEVA Historian Client là phần mềm báo cáo và phân tích dữ liệu tại thời gian thực, cung cấp quá trình lịch sử dữ liệu cho những người chịu trách nhiệm cao nhất về hiệu suất của nhà máy, người vận hành, kỹ sư và người quản lý vận hành.
Aveva Historian Client và các giá trị kinh doanh
Phần mềm AVEVA Historian Client cung cấp dữ liệu lịch sử gần như thời gian thực từ AVEVA Historian cho công nhân ở mọi cấp độ.
- Dữ liệu gần thời gian thực rất quan trọng cho các hoạt động khắc phục sự cố.
- Truy cập tới các báo cáo hiệu suất và sản xuất có thể được chia sẻ qua email hoặc web.
Historian Client hiển thị tốt hơn trong các quy trình
AVEVA Historian Client được tích hợp chặt chẽ với AVEVA Historian, cho phép dễ dàng điều hướng qua dữ liệu hoạt động của mình. Nó tạo ra các biểu đồ và báo cáo dữ liệu lịch sử và thời gian thực. Điều này cho phép người vận hành, kỹ sư và người ra quyết định hình dung nhanh những gì đang xảy ra trong quá trình sản xuất, một mẻ hoặc bất kỳ quy trình công nghiệp nào.
Các báo cáo và xu hướng dữ liệu của AVEVA Historian Client có thể được xem, phân tích và sử dụng thông qua ứng dụng máy tính để bàn hoặc sử dụng trình duyệt web với AVEVA Historian Client Web. Và cũng có thể sử dụng các ứng dụng bên ngoài như Microsoft® Office®, AVEVA ™ InTouch HMI hoặc thậm chí là các ứng dụng khách tùy chỉnh.
AVEVA Historian Client cũng hỗ trợ AVEVA Insight, giải pháp đám mây được quản lý bởi AVEVA.
Phần mềm giúp phân tích và báo cáo dữ liệu phong phú
Trải nghiệm báo cáo và phân tích dữ liệu phong phú của AVEVA Historian Client mang đến cho bạn khả năng truy vấn đặc biệt mạnh mẽ. Cũng như các công cụ xu hướng được định cấu hình sẵn cần thiết để đi sâu vào chi tiết dữ liệu. Nhằm đánh giá xu hướng, tìm nguyên nhân gốc rễ và xác định giải pháp tốt nhất cho các vấn đề quan trọng của quy trình.
Nhân viên CNTT của nhà máy được giao nhiệm vụ tạo và duy trì các báo cáo sản xuất và báo cáo quy định cũng có thể sử dụng AVEVA Historian Client để lấy thông tin quan trọng ra khỏi khối lượng khổng lồ dữ liệu quy trình của nhà máy được lưu trữ trong AVEVA Historian.
Thành phần AVEVA Historian Client
AVEVA Historian Client bao gồm nhiều ứng dụng được thiết kế để tối đa hóa giá trị của dữ liệu được lưu trữ trong AVEVA Historian. Các ứng dụng này cho phép bạn truy cập vào thực vật và xử lý dữ liệu thông qua các giao diện dễ sử dụng. Với AVEVA Historian Client, công nhân nhà máy có thể nhanh chóng khắc phục sự cố, nghiên cứu các hoạt động kém hiệu quả tiềm ẩn và loại bỏ quá trình định vị dữ liệu tốn nhiều thời gian.
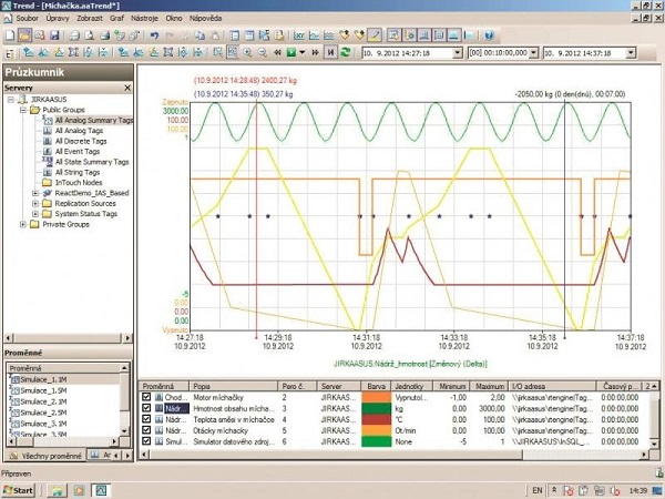
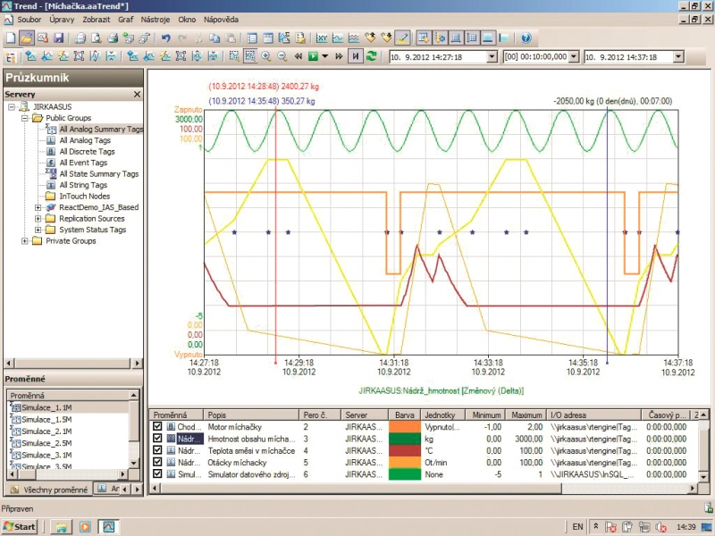
Ứng dụng xu hướng
Ứng dụng xu hướng là một công cụ vẽ đồ thị dữ liệu trên máy tính để bàn mạnh mẽ. Cung cấp một loạt các khả năng lập biểu đồ và định dạng, nó được thiết kế để cho phép người dùng tạo các biểu đồ phân tích dữ liệu mang tính thông tin cao. Với mục đ phân tích xu hướng dữ liệu lịch sử và thời gian thực, khắc phục sự cố nhanh hơn và cải thiện quy trình. Nhiều loại hiển thị và báo cáo phân tích có sẵn dưới dạng tiêu chuẩn, chẳng hạn như biểu đồ xu hướng, biểu đồ Phân tán X-Y và biểu đồ xu hướng theo mẻ, bao gồm cả so sánh ‘Golden Batch’

Bổ trợ Excel
Phần bổ trợ Microsoft Excel này được thiết kế để đơn giản hóa tạo báo cáo dữ liệu phong phú bằng cách sử dụng dữ liệu AVEVA.
Ứng dụng truy vấn
Loại bỏ nhu cầu về chuyên môn SQL với công cụ dễ sử dụng này để tạo truy vấn cơ sở dữ liệu. Công cụ truy vấn này có thể được sử dụng song song với các ứng dụng xu hướng, sổ làm việc hoặc báo cáo. Nó cũng có thể được sử dụng như một công cụ truy vấn độc lập cho AVEVA Historian hoặc bất kỳ cơ sở dữ liệu tương thích SQL nào.
Giải pháp dựa trên nền web mạnh mẽ
Nội dung AVEVA Historian có thể được sử dụng với AVEVA Historian Client Web hoặc thông qua các ứng dụng bên ngoài như Microsoft Office, AVEVA InTouch HMI hoặc thậm chí là các ứng dụng Client tùy chỉnh.
Xu hướng, báo cáo và sổ làm việc có thể được xuất ra trên mạng nội bộ. Tổng hợp dữ liệu nhà máy và doanh nghiệp thành một giải pháp quản lý hiệu suất và sản xuất dựa trên nên web mạnh mẽ.
Tính khả dụng cao và tính liên tục trong kinh doanh
AVEVA Historian Client tận dụng tối đa khả năng dự phòng của AVEVA Historian. Nếu máy chủ lịch sử chính hoạt động không trực tuyến AVEVA Historian Client sẽ tự động chuyển sang máy chủ lịch sử thứ cấp. Sau khi máy chủ chính trực tuyến trở lại, AVEVA Historian Client sẽ tự động chuyển trở lại máy chủ chính mà người dùng không bị gián đoạn.
Đa dạng lựa chọn phân tích và báo cáo dữ liệu
Với AVEVA Historian, có nhiều lựa chọn về cách bạn muốn phân tích và báo cáo về dữ liệu của mình:
- AVEVA Historian Client Web là một ứng dụng trình duyệt để truy vấn dữ liệu và xu hướng nhanh chóng.
- AVEVA ™ Business Intelligence Gateway là một ứng dụng BI tận dụng phân tích kinh doanh của Tableau® để có khả năng phân tích quy trình tự chọn mạnh mẽ.
- AVEVA Insight giúp truy cập thông tin hữu ích và khả năng Trí tuệ nhân tạo thông qua đám mây cho bất kỳ trình duyệt hoặc thiết bị di động hiện đại nào, cho phép bạn theo dõi thông tin quan trọng, KPI và cảnh báo khi đang di chuyển.
Dream Report là một ứng dụng báo cáo dựa trên cấu hình mà bất kỳ ai cũng có thể sử dụng để tạo báo cáo sản xuất hoặc báo cáo tuân thủ quy định.
Khả năng truy cập dữ liệu của History Client
Các ứng dụng báo cáo của AVEVA có thể được kích hoạt trên web bằng AVEVA Insight. Đảm bảo thông tin thích hợp có thể được cung cấp cho những cá nhân phù hợp ở bất kỳ nơi nào. Sử dụng các thành phần máy khách trong AVEVA Insight mang lại trải nghiệm cổng thông tin phong phú và linh hoạt.
Các tiện ích bổ sung mẫu có thể nằm trong AVEVA Insight bao gồm:
- AVEVA MES / Performance: Báo cáo OEE và thời gian ngừng hoạt động của thiết bị và bảng điều khiển KPI
- AVEVA MES / Operations: nhiều tùy chọn báo cáo bao gồm: - Các sự kiện sản xuất và báo cáo công thức (sử dụng và điểm đặt)
- Mức tiêu thụ nguyên vật liệu bao gồm so sánh “kế hoạch so với thực tế”
- Tiêu thụ và gia phả của vật liệu, thiết bị, nhân sự và các sự kiện sản xuất liên quan đến lô, mẻ hoặc số sê-ri
- Hoàn thành việc truy xuất nguồn gốc và báo cáo gia phả để giúp bạn tuân thủ các quy định của chính phủ.
BI Gateway: tự động hóa việc trích xuất, chuyển đổi và lưu trữ các KPI hoạt động và thông tin ngữ cảnh liên quan với giải pháp thông minh sản xuất doanh nghiệp (EMI) này
Phân tích có hướng dẫn: Tạo cảnh báo bất thường với độ trung thực cao hơn chỉ với một vài cú nhấp chuột. Giúp dễ dàng xác định rõ ràng một nhóm thẻ để theo dõi phân tích dự đoán.
Phân tích nâng cao: Cho phép tạo các mô hình phân tích dự đoán đa biến nghiêm ngặt cho các nội dung quan trọng nhất với tính năng làm sạch thân thiện với người dùng, đào tạo mô hình, phân tích và chẩn đoán lỗi cũng như các hành động theo quy định.

Khả năng di động và đám mây
AVEVA Insight là một giải pháp “được quản lý” dựa trên đám mây giúp thông tin có thể truy cập được thông qua bất kỳ trình duyệt hoặc thiết bị di động hiện đại nào. Dân chủ hóa quyền truy cập dữ liệu công nghiệp, theo dõi thông tin quan trọng, KPI và cảnh báo khi đang di chuyển thông qua AVEVA Insight mà không cần cài đặt và quản lý các giải pháp này tại chỗ.
Dịch vụ và hỗ trợ khách hàng
Customer FIRST là chương trình Dịch vụ của AVEVA giúp bạn dễ dàng nhận được trợ giúp cần thiết khi cần và nhận được phiên bản mới nhất của AVEVA Historian Client và các sản phẩm AVEVA liên quan.

Để biết thêm thông tin về Hệ thống Điều hành Sản xuất và các giải pháp Quản lý Hoạt động Sản xuất của AVEVA, vui lòng liên hệ với Q Systems:
Email: qsystems@hn.vnn.vn
Tel: (+84) 24.3976 0144.


